- 商品描述
- 商品询价热度
Atlas 阿特拉斯LCS38圆盘铣刀

阿特拉斯LCS38圆盘铣刀优势特点
无油润滑
已付排气管
操作员更舒适
配备除尘装置
降低工件污染风险
| 型号 | ID | 空转速度下的空气消耗量 | 进气口螺纹 BSP | 除尘 | 经过 EAC 认证 | EC 标准 | 长度 | 免润滑 | 刀片直径 | 切割深度 | 空转转速 | 输出 | 工作压力 | 推荐的软管尺寸 | 声功率 | 声压 | 声音标准 | 声音不确定度 | 震动标准 | 震动值 | WEEE | 重量 | EU 指令 |
|---|---|---|---|---|---|---|---|---|---|---|---|---|---|---|---|---|---|---|---|---|---|---|---|
| LCS38 S150D | 8424112506 | 28.0 l/s | 3/8 inch | Central suction | Yes | ISO 11148-7 | 306 mm | Yes | 100 mm | 26 mm | 15000 r/min | 1.3 kW | 90 psig | 13.0 mm | 97 dB(A) | 86 dB(A) | ISO15744 | 3 dB(A) | ISO28927-8 | <2.5 m/s² | 0 | 3.7 lb | 2006/42/EC |

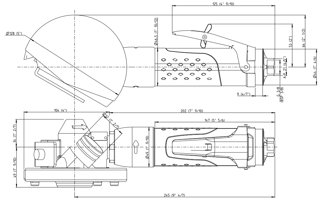
LCS38圆盘铣刀结构图


线上咨询

